5303742
Fuel Filter
Cummins®

IN STOCK

Cummins®

More than 10 are currently available

Ships within 1 business day

$499.95 $594.94

This truck part is made by Cummins®. We guarantee that all of our parts are from the OEM (original equipment manufacturer), ensuring a proper fit and quality manufacturing.


DESCRIPTION

Introduction

The Cummins 5303742 Fuel Filter is a critical component designed for use in commercial trucks. Its primary function is to remove impurities and contaminants from the fuel before it reaches the engine, ensuring efficient and reliable engine operation. The significance of this fuel filter lies in its ability to maintain fuel quality, which is essential for the performance and longevity of the truck’s engine.

Basic Concepts of Fuel Filters

A fuel filter is a device that removes impurities from fuel using a semi-permeable membrane, filter paper, or another substance. In a truck’s fuel system, the fuel filter plays a role by trapping particles and contaminants that could otherwise damage the engine or reduce its efficiency. Clean fuel is vital for engine performance as it ensures that the fuel injectors and other components receive uncontaminated fuel, which helps maintain optimal combustion and engine operation 1.

Role of the 5303742 Fuel Filter in Truck Operation

The Cummins 5303742 Fuel Filter is specifically designed to ensure the efficient and reliable operation of a truck’s engine. It removes contaminants such as dirt, rust, and water from the fuel, which helps protect sensitive engine components from wear and damage. By maintaining clean fuel, the filter contributes to consistent engine performance, reduced emissions, and extended engine life 2.

Key Features

The Cummins 5303742 Fuel Filter incorporates several design elements and materials that enhance its performance. It is constructed with high-quality materials to ensure durability and effectiveness. The filter media is designed to capture a wide range of contaminants while allowing for smooth fuel flow. Additionally, the filter housing is built to withstand the pressures and temperatures encountered in a truck’s fuel system.

Benefits of Using the 5303742 Fuel Filter

Using the Cummins 5303742 Fuel Filter provides several advantages. It contributes to improved engine efficiency by ensuring that the fuel delivered to the engine is clean and free from contaminants. This can lead to better fuel economy and reduced emissions. Additionally, the filter helps protect the engine from damage caused by impurities, which can extend the engine’s longevity. The filter also plays a role in maintaining the overall health of the fuel system by preventing contaminants from reaching critical components 3.

Installation and Compatibility

Proper installation of the Cummins 5303742 Fuel Filter is important for ensuring optimal performance. It should be installed according to the manufacturer’s guidelines to ensure a secure fit and proper function within the fuel system. Specific requirements may include ensuring that the filter is correctly oriented and that all connections are tight and leak-free.

Maintenance and Service Intervals

Regular maintenance and adherence to service intervals are recommended to ensure the continued efficient operation of the Cummins 5303742 Fuel Filter. The filter should be inspected and replaced at recommended intervals to prevent a buildup of contaminants that could reduce its effectiveness. Maintenance schedules may vary depending on the truck’s usage and operating conditions.

Troubleshooting Common Issues

Common problems associated with fuel filters can include reduced fuel flow, engine performance issues, or contamination in the fuel system. Symptoms may include difficulty starting the engine, reduced power, or increased emissions. Potential causes can range from a clogged filter to issues within the fuel system. Recommended solutions may involve inspecting and replacing the filter, as well as addressing any underlying fuel system problems.

Cummins Corporation Overview

Cummins Inc. is a global power leader that designs, manufactures, and distributes engines, filtration, and power generation products. With a history of innovation and quality, Cummins serves customers in approximately 190 countries and territories through a network of company-owned and independent distributor facilities and dealerships. The company is committed to powering a more prosperous world by providing reliable and efficient power solutions across various industries.

Cummins Fuel Filter 5303742 Compatibility

The Cummins Fuel Filter part number 5303742 is designed to fit a variety of Cummins engines, ensuring clean fuel delivery and optimal engine performance. Here is a detailed look at the compatibility of this fuel filter with various Cummins engines:

ISB/ISD Engines

  • ISB/ISD 4.5 CM2150 B119
  • ISB 6.7 CM2350 B101

These engines benefit from the 5303742 fuel filter, which is engineered to remove contaminants from the fuel, protecting the engine’s sensitive components.

ISBE and ISL Engines

  • ISBE 4 CM850
  • ISL 9 CM2150 SN

The 5303742 fuel filter is compatible with these engines, ensuring that the fuel entering the system is clean and free of impurities, which is crucial for maintaining engine efficiency and longevity.

QSB Engines

  • QSB 4.5 CM2250 EC
  • QSB 6.7 CM2250
  • QSB 6.7 CM2350 B105
  • QSB 6.7 CM850 (CM2850)

This fuel filter is also suitable for these QSB engines, providing the necessary filtration to keep the fuel system clean and the engine running smoothly.

QSL Engine

  • QSL 9 CM2350 L102

The 5303742 fuel filter fits the QSL 9 engine, ensuring that the fuel is adequately filtered before it reaches the engine, which is essential for maintaining peak performance and reliability.

By using the Cummins Fuel Filter 5303742, engine owners can ensure that their engines receive clean fuel, which helps in preventing wear and tear, and maintaining optimal performance.

Role of Part 5303742 Fuel Filter in Engine Systems

The part 5303742 Fuel Filter is a critical component in the fuel delivery system of an engine. Its primary function is to remove impurities and contaminants from the fuel before it reaches the engine’s combustion chamber. This ensures that the fuel delivered is clean and free from particles that could potentially damage sensitive engine components.

Integration with Fuel System Components

  1. Fuel Tank: The fuel filter is typically located between the fuel tank and the fuel pump. As fuel is drawn from the tank, it passes through the filter, ensuring that any sediment or debris accumulated at the bottom of the tank is trapped.

  2. Fuel Pump: After the fuel has been filtered, it is then pumped by the fuel pump. The clean fuel ensures that the fuel pump operates efficiently without the risk of clogging or reduced performance.

  3. Fuel Lines: The filtered fuel travels through the fuel lines towards the engine. The presence of the fuel filter ensures that the lines remain free from contaminants, maintaining consistent fuel flow and pressure.

  4. Fuel Injectors: Clean fuel is vital for the proper functioning of fuel injectors. The fuel filter prevents particles from entering the injectors, which could lead to blockages or malfunctions. This results in precise fuel delivery and optimal combustion.

  5. Combustion Chamber: Ultimately, the role of the fuel filter culminates in the combustion chamber, where clean fuel is essential for efficient burning. Contaminants in the fuel can lead to incomplete combustion, reduced engine performance, and increased emissions.

Benefits of a Well-Placed Fuel Filter

  • Enhanced Engine Performance: By ensuring that only clean fuel reaches the engine, the fuel filter contributes to smoother operation and better overall performance.
  • Extended Component Lifespan: Clean fuel reduces the wear and tear on engine components, leading to longer-lasting parts and reduced maintenance costs.
  • Improved Fuel Efficiency: Efficient combustion resulting from clean fuel leads to better fuel economy.
  • Reduced Emissions: Clean fuel burns more completely, leading to lower emissions and a smaller environmental footprint.

Conclusion

In summary, the Cummins 5303742 Fuel Filter plays a significant role in maintaining the integrity and efficiency of the fuel delivery system. Its strategic location between the fuel tank and the engine ensures that contaminants are removed early in the fuel’s journey, protecting downstream components and enhancing overall engine performance.


  1. Schuetz, T. (2016). Aerodynamics of Road Vehicles: Fifth Edition. SAE International.

  2. Zhan, Q., Eben, S., & Deng, L. K. (2018). Automotive Heating Ventilation and Air Conditioning. Jones Bartlett Learning.

  3. Mollenhauer, K., & Tschoeke, H. (2010). Handbook of Diesel Engines. Springer.

SPECIFICATIONS

Package Dimensions
5.0 x 5.0 x 10.0 in
Weight
2 lbs

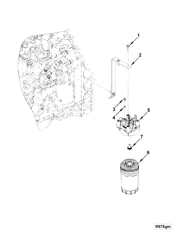
BILL OF MATERIALS

Name Quantity Part Number
Threaded Plug
Fuel Filter
Filter Screen
* This information is provided as is and may be out of date. Please contact us or the manufacturer to verify warranty coverage.
* Variable geometry turbocharger and electronic actuator repairs are not eligible to be claimed as over-the-counter under New or ReCon parts warranty for parts installed after October 1, 2018.
* Diesel Oxidation Catalyst (DOC), Diesel Particulate Filter (DPF), Selective Catalyst Reduction (SCR) catalyst, and Electronic Control Module (ECM) repairs are not eligible to be claimed as over-the-counter under New or ReCon parts warranty for parts installed after January 1, 2020.
* These restrictions are only applicable to New parts and ReCon parts coverages for the components listed above sold to a customer in the US or Canada. All other coverages are excluded. All other regions are excluded.