MC865065
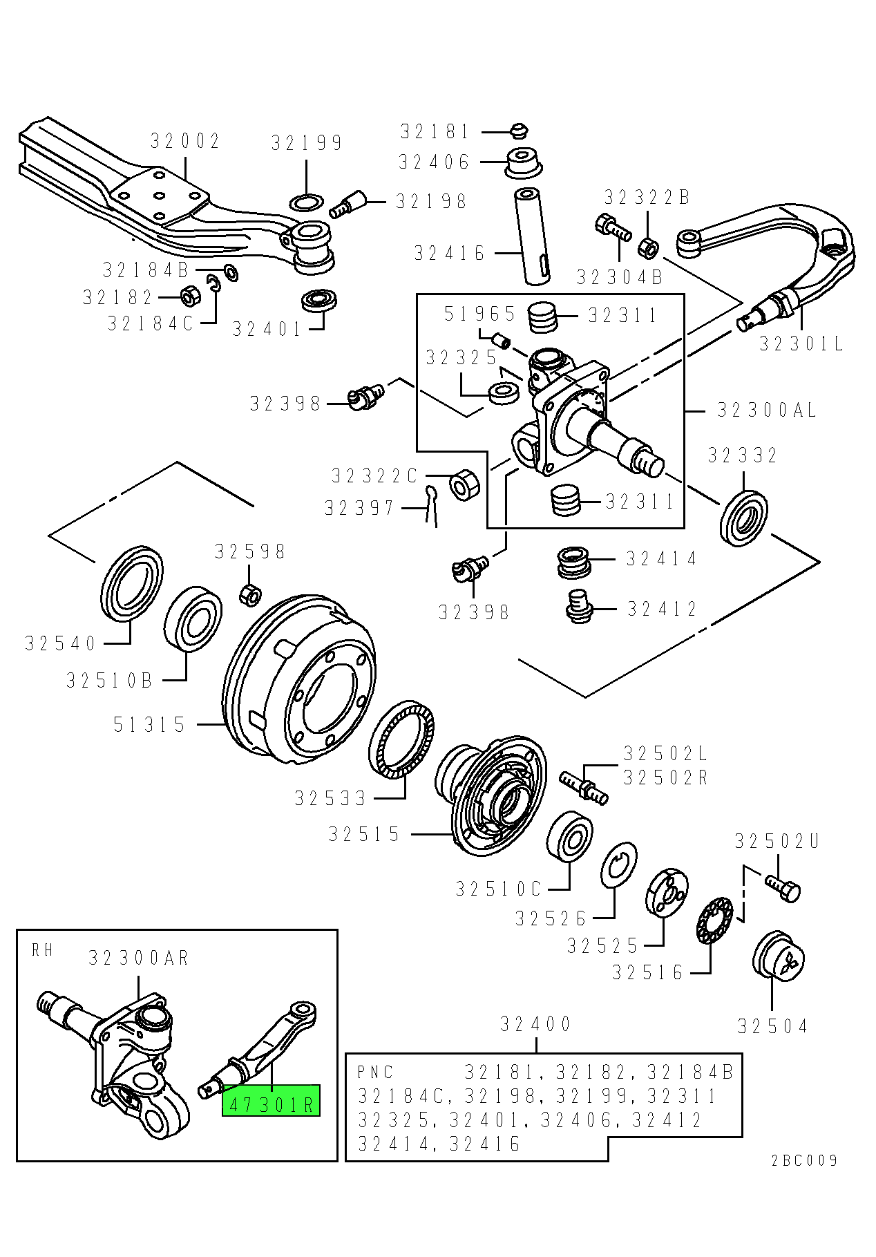
Right Hand Tie Rod Arm
Mitsubishi FUSO®

DISCONTINUED

Mitsubishi FUSO®

This truck part is made by Mitsubishi FUSO®. We guarantee that all of our parts are from the OEM (original equipment manufacturer), ensuring a proper fit and quality manufacturing.


DESCRIPTION
The Right Hand Tie Rod Arm, also known as the steering arm, is a vital part of a commercial truck's steering system. This component connects the steering linkage to the steering knuckle, allowing the driver to control the direction of the vehicle. The Right Hand Tie Rod Arm is responsible for transmitting the driver's steering input to the wheels, ensuring that the truck responds accurately and smoothly to the driver's commands. Made from high-quality materials, the Right Hand Tie Rod Arm is designed to withstand the rigors of heavy-duty use. It is an essential part of the steering system, ensuring that the truck remains safe and stable on the road. If the Right Hand Tie Rod Arm becomes damaged or worn, it can cause a range of steering issues, including poor handling, uneven tire wear, and even loss of control. Regular maintenance and inspection of this component are crucial to ensure the safe operation of the vehicle.
RELATED PARTS

SPECIFICATIONS

OEM Description
ARM,TIE ROD,RH
* This information is provided as is and may be out of date. Please contact us or the manufacturer to verify warranty coverage.