DESCRIPTION
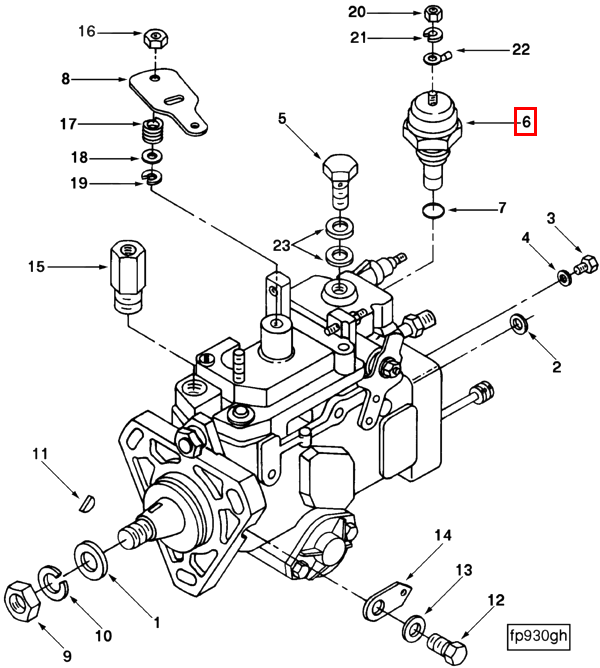
A Fuel Solenoid Kit is a component used in diesel engines to control the flow of fuel. It consists of a solenoid valve, which opens and closes to allow or prevent fuel from entering the engine. The Part Number 3802205 is a specific Fuel Solenoid Kit made by Cummins, commonly used in their diesel truck engines. This kit includes the solenoid valve itself, as well as any necessary wiring and connectors for installation. Proper installation and maintenance of the Fuel Solenoid Kit is crucial for ensuring proper engine function and preventing damage from fuel leaks or other issues.
SPECIFICATIONS
Notes
12V actuate to stop
Hazardous Material
Non-Hazardous (NOI, ICE/Auto)
Package Dimensions
7.0 x 1.4 x 1.4 in
Weight
0.6 lb
RECOMMENDED PARTS
* This information is provided as is and may be out of date. Please contact us or the manufacturer to verify warranty
coverage.
* Variable geometry turbocharger and electronic actuator repairs are not eligible to be claimed as over-the-counter under New or ReCon parts warranty for parts installed after October 1, 2018.
* Diesel Oxidation Catalyst (DOC), Diesel Particulate Filter (DPF), Selective Catalyst Reduction (SCR) catalyst, and Electronic Control Module (ECM) repairs are not eligible to be claimed as over-the-counter under New or ReCon parts warranty for parts installed after January 1, 2020.
* These restrictions are only applicable to New parts and ReCon parts coverages for the components listed above sold to a customer in the US or Canada. All other coverages are excluded. All other regions are excluded.
* Variable geometry turbocharger and electronic actuator repairs are not eligible to be claimed as over-the-counter under New or ReCon parts warranty for parts installed after October 1, 2018.
* Diesel Oxidation Catalyst (DOC), Diesel Particulate Filter (DPF), Selective Catalyst Reduction (SCR) catalyst, and Electronic Control Module (ECM) repairs are not eligible to be claimed as over-the-counter under New or ReCon parts warranty for parts installed after January 1, 2020.
* These restrictions are only applicable to New parts and ReCon parts coverages for the components listed above sold to a customer in the US or Canada. All other coverages are excluded. All other regions are excluded.